Compteurs : exercices
EXERCICE
1
Utiliser les
bascules JK 7476 pour donner les schémas des :
1. Compteur
asynchrone modulo 10
2. Compteur
asynchrone modulo 13
3. Compteur
synchrone modulo 10
EXERCICE
2
Utiliser les bascules D
pour réaliser un compteur synchrone modulo 8.
EXERCICE
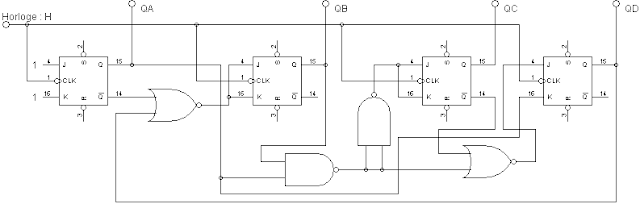
3
1. Déterminer
les équations des entrées J et K des bascules.
2. On suppose
que le compteur part de l'état QAQBQCQD = 0000. Tracez les chronogrammes de l'horloge
H et des sorties QA, QB, QC et QD.
3. Déterminez le
modulo de ce compteur.
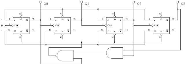
EXERCICE
4
Indiquer la fréquence
aux points A et B si la fréquence de l’horloge est de 120 kHz.
EXERCICE
5
Dessinez les
formes d’onde demandées suite à l’analyse de la figure suivante :
Quels sont le
type et le modulo de ce compteur ?
EXERCICE
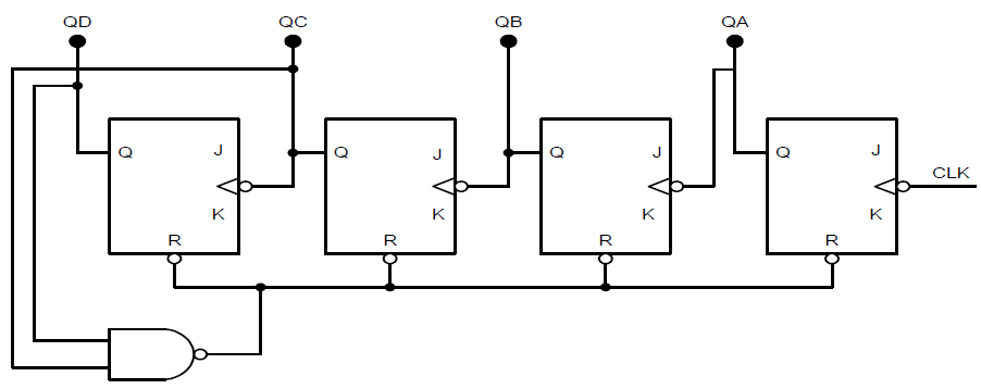
6
1. Donnez les
équations des entrées J et K des 3 bascules.
2. On suppose
que le compteur par de l'état QCQBQA = 000.
Tracez les chronogrammes de l'horloge H et des sorties QA, QB
et QC.
3. Déterminez le
modulo de ce compteur, la fréquence fI (I = A, B ou C)et le rapport cyclique aI pour QA,
QB et QC,
--------------------------------------------------------------------------------------
CORRECTION - SOLUTIONS
--------------------------------------------------------------------------------------
Compteurs : corrigés
SOLUTION EXERCICE
1
On va utiliser
la bascule JK 7476 pour réaliser les compteurs.
1. Compteur asynchrone
modulo 10
2. Compteur asynchrone
modulo 13
3. Compteur synchrone
modulo 10
Pour réaliser des
compteurs synchrones à base des bascules JK, on utilise la table suivante :
P : présent F : future
A partir de la table Q0
J0 K0 on peut tirer J0 = K0 = 1
SOLUTION EXERCICE
2
Compteur synchrone
modulo 8 à base des bascules D
SOLUTION EXERCICE
3
3. Le chronogramme montre
que le modulo de ce compteur est 10.
SOLUTION EXERCICE
4
Le compteur
formé par les bascules A, B, C et D est un compteur asynchrone modulo 10 (la
remise à zéro se fait par QD et QB ce qui correspond à 1010). Donc, en A, on a
un diviseur de fréquence par 10 et :
fA
= 120 kHz / 10 = 12 kHZ
Le compteur formé par
les bascules E et F est un compteur synchrone modulo 3 et fB = fA
/ 3 = 4kHz
SOLUTION EXERCICE
5
On a un compteur
asynchrone modulo 12.
SOLUTION EXERCICE
6
1. JA = KA = 1 JB = QA KB = QAQC
JC
= QAQB KC = QA
2.
3. D’après les
chronogrammes, ce compteur a pour modulo 6































Très intéressant et surtout courage à vous.
RépondreSupprimer