Théorème
de Superposition et théorème de thévenin
Exercice
1
Utiliser le théorème de
superposition pour calculer le courant qui circule dans R3
Exercice
2
Utiliser le théorème de
superposition pour calculer la tension UAB aux bornes de R1.
Exercice
3
Utiliser le théorème de
superposition pour calculer la tension aux bornes de R1.
Exercice
4
1. Dessinez le générateur de
Thévenin de la figure suivante, sans tenir compte de la résistance R.
2. pour R = 150
kΩ
a. Déterminez
le courant qui traverse R
b. calculer la puissance fournie à R
Exercice
5
Déterminer les
caractéristiques ET et RT du générateur de Thévenin équivalent au circuit
suivant, sans tenir compte de la résistance R.
Exercice
6
Dans le montage
suivant, déterminer le courant I circulant dans la résistance R = 100k.
Exercice
7
1. Dessinez le
générateur de Thévenin de la figure suivante, sans tenir compte de la
résistance R.
2. Calculez la
tension UR et la puissance fournie à la résistance R.
Exercice
8
Dessinez le
générateur de Thévenin de la figure suivante, sans tenir compte de la
résistance R.
------------------------------------------------------------------------------------------------
CORRECTION - SOLUTIONS
------------------------------------------------------------------------------------------------
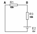
Solution Exercice 1
Pour calculer le courant qui circule dans R3, on
calcule la tension aux bornes de R3.
fig1
fig2
1- on calcule la tension U’ (aux
bornes de R3) avec E2 en court-circuit (fig1)
U’ = E1 x (R2 // R3) / [(R2 //
R3) + R1] = 15V x 50 / 150 = 5V
2- on calcule la tension U’’ (aux
bornes de R3) avec E1 en court-circuit (fig2)
U’’ = -E2 x (R1 // R3) / [(R1 //
R3) + R2] = -12V x 50 / 150 = -4V
3- la tension U aux bornes de R3
est : U = U’ + U’’ = 1V
4- I =
U / R3 = 1V / 100k = 10μA
Solution Exercice 2
fig3
fig4
1- on calcule la tension U’AB avec E2 en
court-circuit (fig3)
U’AB = E1 x R1 / [R3 + R1] = 12V x 100
/ 200 = 6V
2- on calcule la tension U’’AB avec E1 en
court-circuit (fig4)
U’’AB = - U’’BA = -E2 x R1 / [R1
+ R3] = -15V x 100 / 200 = -7,5V
3- UAB = U’AB + U’’AB = 6V – 7,5V =
1,5V
Solution Exercice 3
fig5
fig6
1- on calcule la tension U’ avec
le générateur de courant ouvert (fig5)
U’ = E1 x R1 / [R1 + R2 + R3] =
15V x 10 / 20 = 7,5V
2- on calcule la tension U’’ avec E en court-circuit
(fig6)
U’’ = I1 x R1 = I2 x (R2 + R3) = I x R1 // (R2 + R3) = 1mA x 10 x 10 /
(10 +10) = 5V
3- U = U’ + U’’ = 7,5V + 5V =
12,5V
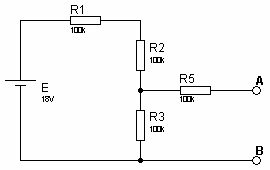
Solution Exercice 4
fig7
fig8
1. Eth = UAB = E x R3 / ( R1
+ R2 + R3) = 18 x 100 / (100 + 100 + 100) = 6V
Rth = RAB = R5 + R3 // (R2
+ R1) = 100k + 100k x 200k / 300k = 166,67k
2. pour R = 150 kΩ
a. I = Eth / (Rth + R) = 18,95μA
b. P = R x I2 = 53,85μW
Solution Exercice 5
1. on calcule Eth =
UAB
R6 = R2 + R3 // R4 = 50k +100k
//100k = 100k
Eth = UAB = E x (R5 // R6) / [R1 + (R5 //
R6)] = 15V x 50k / 100k = 7,5V
2. on calcule Rth =
RAB
Rth =
RAB = R1 // R5 // R6 = 25k
Solution Exercice 6
1. on calcule Eth =
UAB
et
Rth
=
RAB
Eth = UAB = UA - UB
UA = E x R2 / (R1 +R2) = 10V x 100 /
200 = 5V
UB = E x R5 / ( R3
+ R4 + R5)
UB = 10V x 25 / 100
= 2,5V
Eth =
UAB = UA
- UB =
5V – 2,5V = 2,5V
Rth = RAB = (R1 // R2) +
[R5 // (R3+R4)] = 100k // 100k + 25k // 75k = 50k + 18,75k = 68,75k
2. pour R = 100 k I = Eth / (Rth + R) = 2,5V /
(68,75k + 100k) =
14,81μA
Solution Exercice 7
1. on calcule Eth =
UAB
et
Rth
=
RAB
Eth = UAB = UA - UB
UA = E1 x R2 / (R1 +R2) = 12V x 100
/ 200 = 6V
UB = E2 x R4 / (R3 + R4) = 5V x 100
/ 200 = 2,5V
Eth = UAB = UA - UB = 6V – 2,5V = 3,5V
Rth = RAB = (R1 //R2) + (R3 // R4) = 100k
// 100k +100k // 100k = 100k
2. UR = Eth x R / (Rth + R) = 3,5V x
100k / (100k + 100k) = 1,75V
PR = UR
2 / R = (1,75V) 2 / 100k = 30,625μW
Solution Exercice 8
1. on calcule Eth =
UAB
On utilise la transformation
triangle-étoile. Puisque R2 = R3 = R4 = 33k, RA = RB = RC = 33k / 3 = 11k
Eth = UAB = E x (R1 + RA) / (R1 + RA + RB)
= 10V x (22k + 11k) / (22k + 11k +11k) = 7,5V
2. on calcule Rth =
RAB
Rth = RAB = [(R1 + RA) //
RB] + RC = 33k // 11k + 11k = 19,25k
3.


























Aucun commentaire:
Enregistrer un commentaire